欢迎光临 金彩汇 ! 服务热线:13806866554
新闻资讯 News Center

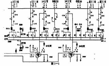
220KV双母线槽接线的倒母线操作解析

发布时间:2021-11-04 08:45:02 | 点击:3508   

1、220kV变电站电气主母线槽接线及正常工作办法

1.1一次主接线。图1-1所示为220KV仿真综合站的一次体系主接线图,220KV仿真站内有两台三相三绕组有载调压变压器,有三个电压等级220KV、110KV、35KV,接线组别为YO/Y0/A,冷却体系为强迫油循环风冷体系。220KV体系为双母线槽带旁母接线工作,共有4回线路,有独立的母联断路器和旁路断路器。110KV体系为双母带旁母接线工作,共有7条线路,有独立的母联断路器和旁路断路器。35KV体系为双母带旁母接线工作,共有10条线路,有独立的母联断路器和旁路断路器。

1.2正常工作办法。

1#、2#主变并排工作;1#主变110KV、220KV中性点接地刀闸在合闸方位。220KV南、北母经母联200断路器并排工作;其间:大万I线221、1#主变201、雁万ⅡI线225断路器作业于南母,大万线222、2#主变202、雁万Ⅰ线226断路器作业于北母。220KV旁母备用,旁路220断路器热备用于南母。

2、220kV母线槽倒闸操作的次第解析

2.1检查220KV母联开关确在合闸方位。目的:承认正付母线槽确在并排情况,否则,合刀闸时或许产生用刀闸合环(相当于带负荷合刀闸)或拉刀闸时产生用刀闸解环(相当于带负荷拉刀闸)的误操作事端,且母线槽压差越大,危害越大,所以必定要检查母联开关确在合闸方位。省中调规程规则:用刀闸解合环操作,设备主管单位应事前经过计算、试验和同意,并对其安全性、可靠性担任。

2.2将母差防护改为单母办法。依据各站母差防护配置的不同,做如下操作:(1)投互联压板;(2)投单母压板;(3)将切换开关QK打至“损坏固定”方位。

关于BP-2B母差防护,当两组母线槽刀闸同时合上时,设备自动判别为母线槽互联,但为了确保在整个倒母线槽过程中,母线槽有缺点不经挑选元件,直接跳﹖条母线槽,确保人身设备安全,选用强制互联。必定要在取母联开关操作保险之前将母差防护改为单母办法。否则如果任一条母线槽缺点,都将是母联失灵发动跳开另一条母线槽,延误了母线槽缺点切除时间,有或许构成体系安稳损坏。

2.3检查母差防护不平衡电流正常。关于微机防护母差不平衡电流应不大于10OMA,PMH-3型不大于10MA也是一项反措,目的是比较倒母线槽前后母差不平衡电流的巨细,关于PMH-3型母差防护能够及时发现开关母差CT连片接触是否杰出,以便及时发现异常。

2.4停用母联开关控制电源空气开关。倒母线槽之前要取母联操作保险,其目的是为了防止在倒排过程中,母联开关偷跳,构成用刀闸解合环的误操作事端。

2.5将电压切换开关K由“摆放”打至“并排”方位。双母线槽正、副母PT二次并排的条件。(1)母联开关在工作情况:(2)BK开关在“并排”方位;(3)有一组PT刀闸摆开。

这是一项反措,有的变电站是自动并排,K开关一直打在“并排”方位。但正常时二次并不并排,只有当母联开关工作时(1G、2G和DL在合闸方位)一组PT刀闸(1G或IIG)摆开后,二次才并排。

2.6检查付母线槽负荷确已全部倒至正母线槽(对一次设备进行进一步的承认)。

2.7摆开付母线槽压变二次空开。母联压变二次空开的操作要在带电的情况下投停,其目的也是为了防止二次反充电(为何防止PT二次反充?这是由于PIT正常工作时相当于变压器的一种特别工作办法,其二次侧是电压线圈,阻抗很大,相当于开路。PT相当于内阻极小的电压源,当PT由二次向一次充电时,将在一次产生很高的电压,一次侧很小的电流就会在二次产生很大的电流,轻则二次空开跳开,重则会构成人身和设备损坏事端,所以是绝不允许反充的)。

2.8合上母联开关控制电源空气开关。

2.9将电压切换开关K由“并排”打至“摆放”方位。目的是断开电压的二次并排。

2.10检查母差不平衡电流正常(与倒母线槽前作一比较,应无较大变化)。

2.11退出互联压板。在合上母联开关控制电源空气开关后再退出互联压板,也是为了防止如果一条母线槽缺点,是母联失灵发动跳开另一条母线槽,延误了母线槽缺点切除时间,有或许构成体系安稳损坏。

2.12摆开母联开关及两侧刀闸。2.13摆开副母线槽压变刀闸。

2.14验电合母线槽接地刀闸或挂地线。

2.15按下母差防护屏信号复归按钮。

2.16至于电度表切换,有的习惯于倒完母线槽后再切换,有的习惯于断开母联开关控制电源后就切换,依据习惯而定,但要一致。

3结束语

本文就双母线槽接线倒母线槽操作的各个危险点做了详细的分析并提出了防范措施,实践证明这些防范措施是有效的,能够确保操作的安全。

金彩汇是国内专业生产母线槽软连接伸缩节密集型母线槽等系列产品