
![]()
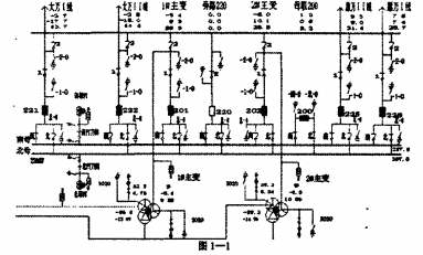
220KV双母线槽的接线,倒母线操作解析 1#、2#主变并排作业;1#主变110KV、220KV中性点接地刀闸在合闸方位。220KV南、北母经母联200断路器并排作业;其间:大万I线221、1#主变201、雁万ⅡI线225断路器作业于南母,大万线222、2#主变202、雁万Ⅰ线226断路器作业于北母。220KV旁母备用,旁路220断路器热备用于南母。 2022-03-28

![]()
220kV母线槽的防护改造 母线槽是保证电网安稳工作的重要设备,要求其功用安全可靠,能快速切除故障。广元局所辖的220 kV和110 kV母线槽保护大都经过改造更换为 RCS -915微机母线槽保护设备,该保护设备具有适合于现场各种主接线办法、动作速度快、灵敏度高,功用安稳且工作保护便当。现提出一些改造进程中所遇的问题和处理办法。 2022-03-25

![]()
浅谈母线槽的防护方法 进入20世纪90时代,配电系统的继电防护及自动化全面进入微机时代,电力电子技术从电磁、晶体管﹑集成电路、计算机直到今天的网络化技术,微计算机技术的开展使微机防护及监控产品日益普及,防护功用日趋完善。 2022-03-24

![]()
对于母线槽失压事故的分析及处理 本文结合母线槽失压事故的相关事例,全面分析了母线槽失压事故的原因,概括了母线槽失压事故原因的判别流程和事故处理流程,并在此基础上提出了事故处理办法及预防办法。 2022-03-23

![]()
母线槽的快速切换原理与特点介绍 一些用电负荷较大的企业一般直接选用6KV用电设备(如电动机,变压器)供电,为前进供电可靠性,正常情况下一般选用6KV作业母线槽向用电设备供电,因为用电是否可靠直接挟制企业出产设备的连续安稳作业,另设备用母线槽。 2022-03-22

![]()
对于母线槽的火灾防范措施 母线槽主要是用以传输电力时的信息和完成电磁能转化的线材产品,广义的密闭型母线亦简称为母线槽,狭义的母线是指绝缘母线。它可界说为:由下列部分组成的集合体:一根或多根绝缘线芯,以及它们各自可能具有的包覆层,总保护层及外护层。母线亦可有附加的没有绝缘的导体。 2022-03-21

![]()
关于220kv母线槽的电压范围 有关220kv母线槽电压规模,既是母线槽电压等级也是线路电压等级,实践上是整个系统的电压等级,供电电压容许过错也不相同,35kV及以上供电电压正、负过错的绝对值之和不跨越额定电压的10%。 2022-03-18

![]()
母线槽的分类介绍,关于母线槽的选型标准 母线槽为所有类型的负载配电和操控电能,适用于工业、商业和类似用处,导体体系形成的封闭成套设备。该导体体系由管道、槽或类似外壳中绝缘资料间隔和支撑的母线构成。 2022-03-17

![]()
关于高低压成套开关柜中母线槽的规划标准 母线槽是指在成套开关柜顶用来作为联接柜间以及柜内各电气设备进行集合、分配和传送电能的导体。在发生短路缺点时要承受短路电流构成的发热和电动力作用,是作为高、低压成套电器中重要的一次元件。 2022-03-16

![]()
母线槽的刀闸过热该怎么办 发现母线槽、刀闸工作中过热时,应下降该回路负荷,尽早安排停电处理;重要回路不能减负荷或停电时,应设法部分降温,并加强监督、探测。 2022-03-15